適用于433m無線模塊的高頻貼片電感
433模塊是日常中較為常見的工業傳輸模塊,主要使用在車輛的監控、防盜、遙控、無線數據采集、身份識別等諸多領域之中。
近期,谷景電子便為生產433模塊的客戶提供一款高頻貼片電感。在433模塊之中,對高頻貼片電感有著較高的要求:1.高Q值,2.高穩定性。
谷景推薦貼片高頻電感GSW05KTR10,感量:100nH,精度:K(±10)級, Q值:65@500MHz,電阻:460mΩ(Max),額定電流量:400mA

為何谷景電子推薦這款貼片高頻電感:
1.適應性好,433無線模塊正常工作在-20℃~﹢85℃的環境之中,對高頻貼片電感的溫度有明確要求,而這款貼片高頻電感GSW具備廣泛的溫度適應性,可穩定工作在-40℃-85℃的環境之中,滿足模塊電路的溫度要求。
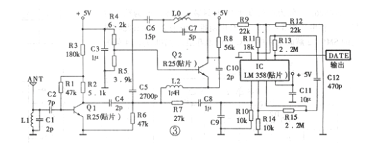
2.電路工作穩定,貼片高頻電感使用在433模塊之中,主要起到防止諧振高頻信號接地的作用。

從433模塊的電路圖中,我們能夠看到,高頻貼片電感L2從VCC(+5V)端獲取電流,同時防止諧振的高頻信號因為短路而接地,重新流回到VCC(+5V)端。而高頻貼片電感GSW在電路中可有效防止高頻信號接地。
蘇州谷景電子有限公司,專注于設計、研發、銷售共模電感,貼片共模電感,色環電感以及相關安規器件電感,并提供完善的技術服務與專業的解決方案。
編:Bouquet









